气动调节蝶阀
- 销售:
- 销售:
- 传真:
详情介绍
- 产品介绍
- 服务承诺
- 订货流程
ZMAW气动薄膜调节蝶阀/ZSRW、ZSCW气动活塞调节蝶阀输入控制信号(4-20mADC或1-5VDC)气源即可控制运转,结构简单紧凑,加工方便,易制成大口径,具有自清洗作用,阻力系数小,流通能力大。适用于悬浮颗粒的流体及浓、浊浆状流体的调节。干净介质,可选用阀板加软密封(橡胶圈、四氟圈)来减少泄漏(可达0.01%),高温高压工况可选用三偏心硬密封阀体。订货时要予以注明即可。
气动调节蝶阀主要技术参数
公称通径 mm | 50 | 80 | 100 | 125 | 150 | 200 | 250 | 300 | 350 | 400 | 450 | 500 | 600 | 700 | 800 | 900 | 1000 | |
额定流量系数Kv | 85 | 220 | 340 | 530 | 770 | 1360 | 2130 | 3060 | 4160 | 5450 | 6900 | 8500 | 12200 | 16600 | 21700 | 27540 | 34000 | |
公称压力 MPa | 0.6 | |||||||||||||||||
额定转角 ° | 70 | |||||||||||||||||
信号压力 KPa | 20~100 | |||||||||||||||||
流量特性 | 近似等百分比 | |||||||||||||||||
介质温度 ℃ | -20~200(常温) ; -40~450(中温) ; -40~600(高温) | |||||||||||||||||
接管法兰 | 按JB78-59对夹式法兰连接 | |||||||||||||||||
信号连接螺孔 | M16×1.5 | |||||||||||||||||
配用执行机构 | 薄膜式 | ZMA-2 | ZMA-3 | ZMA-4 | ZMA-5 | |||||||||||||
活塞式 | ZSC-45 | |||||||||||||||||
阀体材质 | ZG230-450;1Cr18Ni9; ZG1Cr18Ni9Ti、ZGOCr18Ni12Mo2Ti | |||||||||||||||||
可配附件 | 手轮、定位器、空气过滤减压器等。 | |||||||||||||||||
气动调节蝶阀主要零件材料及推荐使用温度范围
零件名称 | 材 料 | 温度范围℃ |
阀体 阀板 | ZG230-450 | -40-450 |
ZG1Cr18Ni9Ti | -250-550 | |
ZG0Cr18Ni12Mo2Ti |
注:此表为各种材料的使用温度,在实际选用中应根据其产品的介质温度范围,确定材料的低,高使用温度,其低使用温度不得低于介质温度范围下限,高使用温度不得高于介质温度范围的上限。
气动调节蝶阀薄膜式执行机构主要技术参数
型 号 | ZMA-2 | ZMA-3 | ZMA-4 | ZMA-5 |
有效面积 cm2 | 280 | 400 | 630 | 1000 |
行 程 mm | 16 | 25 | 40 | 60 |
弹簧范围 KPa | 20~100 ; 40~200 ; 20~60 ; 60~100 | |||
气动调节蝶阀活塞式执行机构主要技术参数
型 号 | 活塞直径 mm | 有效面积 cm2 | 大行程 mm | 大操作压力 KPa | 大输出力 N |
ZSC-45 | 250 | 484 | 60 | 500 | 21800 |
气动调节蝶阀性能指标
执 行 机 构 | 薄膜式执行机构 | 活塞式执行机构 | |||||
类 别 | 不带定位器 | 带定位器 | 带定位器 | ||||
弹簧范围 KPa | |||||||
20~100 40~200 | 20~60 60~100 | ||||||
项 目 | 基 本 误 差% | ±8 | - | ±2.0 | ±2.0 | ||
回 差% | 6 | - | 2.0 | 2.0 | |||
死 区% | 5 | - | 0.8 | 0.8 | |||
始终点偏差% | 气 开 | 始点 | ±4.0 | ±4.0 | ±2.0 | ± | |
终点 | ±8 | ±8 | |||||
气 关 | 始点 | ±8 | ±8 | ||||
终点 | ±4.0 | ±4.0 | |||||
额定转角偏差% | ±2.5 | ||||||
允许泄漏量1/h | 2×10-2×阀的额定容量 | ||||||
气动调节蝶阀允许压差 MPa
配用执行机构型号 | ZMA-2 | ZMA-3 | ZMA-4 | ZMA-5 | ZSC-45 | ||||||
0° | 70° | 0° | 70° | 0° | 70° | 0° | 70° | 0° | 70° | ||
公称通径mm | 50 | 0.6 | 0.097 | ||||||||
80 | 0.6 | 0.038 | |||||||||
100 | 0.556 | 0.0196 | |||||||||
125 | 0.6 | 0.0250 | |||||||||
150 | 0.444 | 0.0150 | |||||||||
200 | 0.185 | 0.00587 | |||||||||
250 | 0.331 | 0.00845 | |||||||||
300 | 0.181 | 0.00461 | |||||||||
350 | 0.133 | 0.00292 | |||||||||
400 | 0.216 | 0.00485 | |||||||||
450 | 0.171 | 0.00341 | |||||||||
500 | 0.139 | 0.0025 | |||||||||
600 | 0.6 | 0.019 | |||||||||
700 | 0.6 | 0.0119 | |||||||||
800 | 0.442 | 0.00795 | |||||||||
900 | 0.339 | 0.00599 | |||||||||
1000 | 0.236 | 0.00403 | |||||||||
注:括号内数值为带定位器的允许压差。
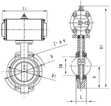
气动调节蝶阀主要外形尺寸
ZMAW气动薄膜调节蝶阀

外形尺寸
公称通径 | D1 | D2 | L1 | L2 | n-d | H | H1 | H2 | D | L3 | 法兰端面距 |
50 | 110 | 92 | 200 | 4-14 | 637 | 582 | 382 | 280 | 278 | 60 | |
80 | 150 | 125 | 92 | 200 | 4-18 | 644 | 582 | 382 | 280 | 278 | |
100 | 175 | 145 | 102 | 210 | 654 | 280 | 278 | ||||
125 | 200 | 175 | 117 | 234 | 8-18 | 723 | 636 | 436 | 325 | 278 | |
150 | 225 | 200 | 130 | 247 | 736 | 325 | 278 | ||||
200 | 280 | 255 | 172 | 287 | 763 | 325 | 278 | 70 | |||
250 | 335 | 310 | 197 | 327 | 12-18 | 1008 | 853 | 615 | 410 | 376 | |
300 | 395 | 362 | 227 | 351 | 12-23 | 1034 | 410 | 376 | 80 | ||
350 | 445 | 412 | 252 | 376 | 1059 | 410 | 376 | ||||
400 | 495 | 462 | 296 | 432 | 16-23 | 1238 | 1007 | 720 | 495 | 376 | 100 |
450 | 550 | 518 | 321 | 459 | 1266 | 495 | 376 | ||||
500 | 600 | 568 | 346 | 484 | 1291 | 495 | 376 | ||||
600 | 705 | 755 | 480 | 565 | 20-25 | 1486 | 1109 | 796 | 180 | 150 | |
700 | 810 | 860 | 530 | 615 | 24-25 | 1539 | 180 | ||||
800 | 920 | 975 | 595 | 675 | 24-30 | 1596 | 180 | 200 | |||
900 | 1020 | 1075 | 685 | 770 | 24-30 | 1661 | 1124 | 180 | |||
1000 | 1120 | 1175 | 735 | 810 | 28-30 | 1711 | 1124 | 180 | 200 |
ZSRW、ZSCW气动活塞调节蝶阀

外形尺寸
公称通径DN | 结构长度 | 连接尺寸 | |||||||||
L | H | H1 | PN0.6MPa | PN1.0MPa | |||||||
毫米 | 英寸 | 法兰式 | 对夹式 | D | D1 | Z-d | D | D2 | Z-d | ||
50 | 2 | 108 | 43 | 100 | 400 | 140 | 110 | 4--14 | 165 | 125 | 4--18 |
65 | 21/2 | 112 | 46 | 115 | 420 | 160 | 130 | 4--14 | 185 | 145 | 4--18 |
80 | 3 | 114 | 49 | 120 | 138 | 190 | 150 | 4--18 | 200 | 160 | 8-18 |
100 | 4 | 127 | 56 | 130 | 524 | 210 | 170 | 4--18 | 220 | 180 | 8-18 |
125 | 5 | 140 | 64 | 150 | 570 | 240 | 200 | 8-18 | 250 | 210 | 8-18 |
150 | 6 | 140 | 70 | 170 | 743 | 265 | 225 | 8-18 | 285 | 240 | 8-22 |
200 | 8 | 152 | 76 | 200 | 767 | 320 | 280 | 8-18 | 340 | 295 | 8-22 |
250 | 10 | 165 | 76 | 235 | 790 | 375 | 335 | 12-18 | 395 | 350 | 12-22 |
300 | 12 | 178 | 83 | 300 | 890 | 440 | 395 | 12-22 | 445 | 400 | 12-22 |
350 | 14 | 190 | 92 | 325 | 954 | 490 | 445 | 16-22 | 505 | 460 | 16-22 |
400 | 16 | 216 | 102 | 355 | 1070 | 540 | 495 | 16-22 | 565 | 515 | 16-26 |
450 | 18 | 222 | 114 | 390 | 1140 | 595 | 550 | 20-22 | 615 | 565 | 20-26 |
500 | 20 | 229 | 127 | 420 | 1200 | 645 | 600 | 20-26 | 670 | 620 | 20-26 |
600 | 24 | 267 | 154 | 490 | 1380 | 755 | 705 | 24--26 | 780 | 725 | 20-30 |
700 | 28 | 292 | 165 | 550 | 1580 | 860 | 810 | 24--30 | 895 | 840 | 24--30 |
800 | 32 | 318 | 190 | 640 | 1760 | 975 | 920 | 24--30 | 1015 | 950 | 24--33 |
900 | 36 | 330 | 203 | 710 | 1075 | 1020 | 24--30 | 1115 | 1050 | 28-33 | |
1000 | 40 | 410 | 216 | 770 | 1175 | 1120 | 28--30 | 1230 | 1160 | 28-36 | |
1200 | 48 | 470 | 254 | 890 | 1405 | 1340 | 32-33 | 1450 | 1380 | 32-39 | |
良好的品质、优良的服务 南京昊辰数字媒体科技有限公司为你创造更多价值!
“南京昊辰数字媒体科技有限公司”的期望,不断提升服务质量,精益求精,“真诚的服务”是“南京昊辰数字媒体科技有限公司”永恒的主题。“南京昊辰数字媒体科技有限公司”严格按照IS09001-2000 质量体系认证要求,质量严格把关, 责任到人,确保生产、销售、服务的健康运行。加强与用户沟通,竭诚为广大客户提供优良产品,至善至美服务。特此我厂做出以下承诺:
产品标准:
产品严格按照中国GB、HG 标准和美国API等标准设计、制造、验收。密封面硬度达到国家规定要求,宽度超过国家标准。
售前服务:
产品介绍,技术交流,非标产品设计,疑难解答。
售中服务:
守信合同,保证及时供货,随时保持与客户联系。 对特殊或复制的产品,我厂安排技术人员对用户进行产品使用、故障排除
售后服务:
1、“南京昊辰数字媒体科技有限公司”牌产品品质期为自出厂起12个月,实行“三包”服务(包退、包换、保修)。
2、产品在使用中我厂定期组织技术、质检人员进行访问,征询用户对产品质量、 使用状况、改进意见等方面的反馈, 以便进一步提高产品质量。
3、对用户投诉质量问题,快速作出反应,售后服务人员在24-36小时(省外48小时)赶赴现场。
4、对售后服务,要求用户填写服务后的质量反馈信息表,并作出鉴定意见,以便提高南京昊辰数字媒体科技有限公司的服务质量。
1、客户如对产品有特殊要求,须在订货合同中提供以下说明:
a、结构长度;
b、连接形式;
c、公称直径、全通径、缩径、管道尺寸;
d、运行介质及温度、压力范围;
e、试验、检验标准及其他要求
2、本厂可根据客户特定要求配置各类驱动装置。
3、如由客户提供确定的阀门类型和型号时,客户应正确说明其型号的含义和要求,在供需双方理解一致的条件下签订合同。
4、期货、订货的客户请先来电函详细告诉所需的阀门型号、规格、数量以及交货时间、地点,并按总的30%预定金或全额货款及时汇入我厂帐户,其余货款待发货前汇入,以便及时安排发货。
订单流程:
1、客户采购清单传真至,或来电咨询
2、收到客户采购清单,为客户提供阀门型号选型与报价(价格清单)。
3、具体商定:交货期、特殊要求等事宜。
订货须知:
1、客户如对产品有特殊要求,须在订货合同中提供以下说明:
|
|||||
|
|||||
2、本厂可根据客户特定要求配置各类驱动装置。
|
|||||
3、如由客户提供确定的阀门类型和型号时,客户应正确说明其型号的含义和要求,在供需双方理解一致的条件下签订合同。
|
|||||
4、期货、订货的客户请先来电函详细告诉所需的阀门型号、规格、数量以及交货时间、地点,并按总的30%预定金或全额货款及时汇入我厂账户, 其余货款待发货前汇入,以便及时安排发货。
|
售中服务:
守信合同,保证及时供货,随时保持与客户联系。
对特殊或复制的产品,我厂安排技术人员对用户进行产品使用、故障排除
售后服务:
1、“南京昊辰数字媒体科技有限公司”产品品质期为自出厂起12个月,实行“三包”服务(包退、包换、保修)。
2、产品在使用中我厂定期组织技术、质检人员进行访问,征询用户对产品质量、使用状况、改进意见等方面的反馈,
以便进一步提高产品质量。
3、对用户投诉质量问题,快速作出反应,售后服务人员在24-36小时(省外48小时)赶赴现场。
4、对售后服务,要求用户填写服务后的质量反馈信息表,并作出鉴定意见,以便提高“南京昊辰数字媒体科技有限公司”的服务质量。
声明 |
|