电动法兰软密封蝶阀-D941X
- 销售:
- 销售:
- 传真:
详情介绍
- 产品介绍
- 服务承诺
- 订货流程
D941X电动法兰软密封蝶阀由橡胶密封蝶阀和碳钢或不锈钢阀板、阀杆构成。适用于温度≤80~120℃如食品、医药、化工、石油、电力、轻纺、造纸等给排水、气体管道上作调节流量和截流介质的作用。
产品特点
1、设计新颖、合理、结构独特,重量轻,启闭迅速。
2、操力矩小,操作方便,省力灵巧。
3、可以任何位置安装,维修方便。
4、密封件可以更换,密封性能可靠达到双向密封零泄漏。
5、密封材料耐老化、耐弱腐蚀,使用寿命长等特点。
设计标准:GB/T2238-1989
法兰连接尺寸:GB/T9113.1-2000;GB/T9115.1-2000;JB78
结构长度:GB/T12221-1989
压力试验:GB/T13927-1992;JB/T9092-1999
电动法兰软密封蝶阀 技术参数
公称通径 | DN(mm) | 50~800 | ||
公称压力 | PN(MPa) | 0.6 | 1.0 | 1.6 |
试验压力 | 强度试验 | 0.9 | 1.5 | 2.4 |
密封试验 | 0.66 | 1.1 | 1.76 | |
气密封试验 | 0.6 | 0.6 | 0.6 | |
适用介质 | 空气、水、污水、蒸气、煤气、油品等。 | |||
驱动形式 | 手动、蜗杆蜗轮传动、气传动、电传动。 | |||
零件名称 | 材料 | |||
阀体 | 球墨铸铁、铸钢、合金钢、不锈钢 | |||
蝶板 | 铸钢、不锈钢及特殊材料 | |||
密封圈 | 各种橡胶、聚四氟 | |||
阀杆 | 2Cr13、不锈钢 | |||
填料 | O型圈、柔性石墨O | |||
密封材料选用和适用温度
材料品种 | 氯丁橡胶 | 丁晴橡胶 | 乙丙橡胶 | 聚四氟乙烯 | 硅橡胶 | 氟橡胶 | 天然橡胶 | 尼龙 |
英语简称 | CR | NBR | EPDM | PTFE | SI | VITON | NR | PA |
型号代号 | X或J | XA或JA | XB或JB | F或XC、JC | XD或JD | XE或JE | X1 | N |
耐高温度 | 82℃ | 93℃ | 150℃ | 232℃ | 250℃ | 204℃ | 85℃ | 93℃ |
耐低温度 | -40℃ | -40℃ | -40℃ | -268℃ | -70℃ | -23℃ | -20℃ | -73℃ |
适用工作温度 | 0~+80℃ | -20~+82℃ | -40~+125℃ | -30~+150℃ | -70~+150℃ | -23~+150℃ | -20~+85℃ | -30~+93℃ |

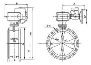
电动法兰软密封蝶阀 外形尺寸
公称 mm | 长度 | 外形尺寸 | 连接尺寸 (标准值) | 重量 | ||||||||||||||
0.6MPa | 1.0MPa | 1.6MPa | ||||||||||||||||
L | H | H0 | A | B | D | D1 | D2 | n-d | D | D1 | D2 | n-d | D | D1 | D2 | n-d | ||
50 | 108 | 63 | 306 | 180 | 200 | 140 | 110 | 88 | 4-14 | 165 | 125 | 99 | 4-18 | 165 | 125 | 99 | 4-18 | 13 |
65 | 112 | 70 | 321 | 180 | 200 | 160 | 130 | 108 | 4-14 | 185 | 145 | 118 | 4-18 | 185 | 145 | 118 | 4-18 | 14 |
80 | 114 | 83 | 346 | 180 | 200 | 190 | 150 | 124 | 4-18 | 200 | 160 | 132 | 8-18 | 200 | 160 | 132 | 8-18 | 15.5 |
100 | 127 | 105 | 387 | 180 | 200 | 210 | 170 | 144 | 4-18 | 220 | 180 | 156 | 8-18 | 220 | 180 | 156 | 8-18 | 19.5 |
125 | 140 | 115 | 411 | 180 | 200 | 240 | 200 | 174 | 8-18 | 250 | 210 | 184 | 8-18 | 250 | 210 | 184 | 8-18 | 25.5 |
150 | 140 | 137 | 447 | 270 | 280 | 265 | 225 | 199 | 8-18 | 285 | 240 | 211 | 8-22 | 285 | 240 | 211 | 8-22 | 28.5 |
200 | 152 | 164 | 572 | 270 | 280 | 320 | 280 | 254 | 8-18 | 340 | 295 | 266 | 8-22 | 340 | 295 | 266 | 12-22 | 48 |
250 | 250 | 206 | 646 | 270 | 280 | 375 | 335 | 309 | 12-18 | 395 | 350 | 319 | 12-22 | 405 | 355 | 319 | 12-26 | 69 |
300 | 270 | 230 | 738 | 380 | 420 | 440 | 395 | 363 | 12-22 | 445 | 400 | 370 | 12-22 | 460 | 410 | 370 | 12-26 | 91 |
350 | 290 | 248 | 761 | 380 | 420 | 490 | 445 | 413 | 12-22 | 505 | 460 | 429 | 16-22 | 520 | 470 | 429 | 16-26 | 110 |
400 | 310 | 289 | 877 | 450 | 470 | 540 | 495 | 463 | 16-22 | 565 | 515 | 480 | 16-26 | 580 | 525 | 480 | 16-30 | 140 |
450 | 330 | 320 | 938 | 480 | 490 | 595 | 550 | 518 | 16-22 | 615 | 565 | 530 | 20-26 | 640 | 585 | 548 | 20-30 | 180 |
500 | 350 | 343 | 993 | 480 | 490 | 645 | 600 | 568 | 20-22 | 670 | 620 | 582 | 20-26 | 715 | 650 | 609 | 20-33 | 215 |
600 | 390 | 413 | 1131 | 480 | 490 | 755 | 705 | 667 | 20-26 | 780 | 725 | 682 | 20-30 | 840 | 770 | 720 | 20-36 | 290 |
700 | 430 | 478 | 1476 | 640 | 660 | 860 | 810 | 772 | 24-26 | 895 | 840 | 794 | 24-30 | 910 | 840 | 794 | 24-36 | 560 |
800 | 470 | 525 | 1533 | 640 | 660 | 975 | 920 | 878 | 24-30 | 1015 | 950 | 901 | 24-33 | 1025 | 950 | 901 | 24-39 | 910 |
900 | 510 | 585 | 1655 | 750 | 860 | 1075 | 1020 | 978 | 24-30 | 1115 | 1050 | 1001 | 28-33 | 1125 | 1050 | 1001 | 28-39 | 1500 |
1000 | 550 | 640 | 1765 | 850 | 900 | 1175 | 1120 | 1078 | 28-30 | 1230 | 1160 | 1112 | 28-36 | 1255 | 1170 | 1112 | 28-42 | 1750 |
1200 | 630 | 755 | 1995 | 850 | 900 | 1405 | 1340 | 1295 | 32-33 | 1455 | 1380 | 1328 | 32-39 | 1485 | 1390 | 1328 | 32-48 | 2180 |
1400 | 710 | 910 | 2310 | 1000 | 925 | 1630 | 1560 | 1510 | 36-36 | 1675 | 1590 | 1530 | 36-42 | 1685 | 1590 | 1530 | 36-48 | 2400 |
1600 | 790 | 1030 | 2595 | 1000 | 925 | 1830 | 1760 | 1710 | 40-36 | 1915 | 1820 | 1750 | 40-48 | 1930 | 1820 | 1750 | 40-56 | 2870 |
1800 | 870 | 1140 | 2810 | 1100 | 980 | 2045 | 1970 | 1918 | 44-39 | 2115 | 2020 | 1950 | 44-48 | 2130 | 2020 | 1950 | 44-56 | 3380 |
2000 | 950 | 1250 | 3100 | 1100 | 980 | 2265 | 2180 | 2125 | 48-42 | 2325 | 2230 | 2150 | 48-48 | 2345 | 2230 | 2150 | 48-62 | 4010 |
注:若用户耐需用阀板衬橡胶等特殊要求,订货时请注明。
良好的品质、优良的服务 南京昊辰数字媒体科技有限公司为你创造更多价值!
“南京昊辰数字媒体科技有限公司”的期望,不断提升服务质量,精益求精,“真诚的服务”是“南京昊辰数字媒体科技有限公司”永恒的主题。“南京昊辰数字媒体科技有限公司”严格按照IS09001-2000 质量体系认证要求,质量严格把关, 责任到人,确保生产、销售、服务的健康运行。加强与用户沟通,竭诚为广大客户提供优良产品,至善至美服务。特此我厂做出以下承诺:
产品标准:
产品严格按照中国GB、HG 标准和美国API等标准设计、制造、验收。密封面硬度达到国家规定要求,宽度超过国家标准。
售前服务:
产品介绍,技术交流,非标产品设计,疑难解答。
售中服务:
守信合同,保证及时供货,随时保持与客户联系。 对特殊或复制的产品,我厂安排技术人员对用户进行产品使用、故障排除
售后服务:
1、“南京昊辰数字媒体科技有限公司”牌产品品质期为自出厂起12个月,实行“三包”服务(包退、包换、保修)。
2、产品在使用中我厂定期组织技术、质检人员进行访问,征询用户对产品质量、 使用状况、改进意见等方面的反馈, 以便进一步提高产品质量。
3、对用户投诉质量问题,快速作出反应,售后服务人员在24-36小时(省外48小时)赶赴现场。
4、对售后服务,要求用户填写服务后的质量反馈信息表,并作出鉴定意见,以便提高南京昊辰数字媒体科技有限公司的服务质量。
1、客户如对产品有特殊要求,须在订货合同中提供以下说明:
a、结构长度;
b、连接形式;
c、公称直径、全通径、缩径、管道尺寸;
d、运行介质及温度、压力范围;
e、试验、检验标准及其他要求
2、本厂可根据客户特定要求配置各类驱动装置。
3、如由客户提供确定的阀门类型和型号时,客户应正确说明其型号的含义和要求,在供需双方理解一致的条件下签订合同。
4、期货、订货的客户请先来电函详细告诉所需的阀门型号、规格、数量以及交货时间、地点,并按总的30%预定金或全额货款及时汇入我厂帐户,其余货款待发货前汇入,以便及时安排发货。
订单流程:
1、客户采购清单传真至,或来电咨询
2、收到客户采购清单,为客户提供阀门型号选型与报价(价格清单)。
3、具体商定:交货期、特殊要求等事宜。
订货须知:
1、客户如对产品有特殊要求,须在订货合同中提供以下说明:
|
|||||
|
|||||
2、本厂可根据客户特定要求配置各类驱动装置。
|
|||||
3、如由客户提供确定的阀门类型和型号时,客户应正确说明其型号的含义和要求,在供需双方理解一致的条件下签订合同。
|
|||||
4、期货、订货的客户请先来电函详细告诉所需的阀门型号、规格、数量以及交货时间、地点,并按总的30%预定金或全额货款及时汇入我厂账户, 其余货款待发货前汇入,以便及时安排发货。
|
售中服务:
守信合同,保证及时供货,随时保持与客户联系。
对特殊或复制的产品,我厂安排技术人员对用户进行产品使用、故障排除
售后服务:
1、“南京昊辰数字媒体科技有限公司”产品品质期为自出厂起12个月,实行“三包”服务(包退、包换、保修)。
2、产品在使用中我厂定期组织技术、质检人员进行访问,征询用户对产品质量、使用状况、改进意见等方面的反馈,
以便进一步提高产品质量。
3、对用户投诉质量问题,快速作出反应,售后服务人员在24-36小时(省外48小时)赶赴现场。
4、对售后服务,要求用户填写服务后的质量反馈信息表,并作出鉴定意见,以便提高“南京昊辰数字媒体科技有限公司”的服务质量。
声明 |
|